摘要:针对光伏阵列实际运行中因局部遮挡导致输出性能减弱的问题,本文在Simulink中搭建 3×3 的光伏阵列模型,研究行遮挡、列遮挡、对角渐变遮挡、随机遮挡和局部集中遮挡5种情况下的输出特性变化规律。结果表明,行遮挡、对角渐变遮挡、随机遮挡和局部集中遮挡输出的P-V特性呈多峰状,相应的I-V曲线呈阶梯状,而列遮挡P-V特性保持单峰状。遮挡程度加剧会使短路电流、最大功率明显降低,增加最大功率点追踪的难度。该研究为光伏阵列的优化设计和运行维护提供了理论依据。
摘要:图像识别技术在自动驾驶、医疗诊断及智能零售等领域具有极其重要的应用价值。当前,高精度图像识别技术存在计算成本高、跨领域泛化能力不足、模型可解释性差等问题。为此,本文重点阐述基于Transformer架构的模型参数效率优化方法;可编程梯度信息(PGI)、双向特征金字塔网络(BiFPN)特征融合及Anchor-Free机制对检测精度与效率的协同增强作用;多注意力策略在细粒度特征选择与识别中的应用。基于当前技术面临的瓶颈,本文提出:可考虑结合知识蒸馏与混合精度量化技术加速视觉一语言大模型的部署;利用特征解耦与增量学习方法增强实时检测模型的鲁棒性与泛化能力;设计统一的感知—决策融合框架以服务于工业机器人系统;强化可解释性与细粒度识别的协同提升。本研究旨在为相关科学研究与工程应用提供有益参考。
摘要:针对自然灾害发生后,道路运输网络破坏导致物资难以到达受灾点的问题,优化应急物流末端配送模式、提高配送效率、缩短配送时间成为应急物流领域亟待解决的问题。基于货车-无人机协同配送模式,考虑应急物流配送特点,构建以受灾点总等待时间最小化为目标的混合整数规划模型,并运用模拟退火算法求解该模型。算例仿真结果表明,相较于货车与无人机独立配送模式,协同配送能有效借助无人机跨越障碍能力,显著缩短总配送时间,提升救援效率。
摘要:针对传统Wi-Fi指纹室内定位方法存在的特征高维冗杂、易受突发波动与局部遮挡干扰、单一分支结构难以兼顾全局与细节等问题,本文提出并设计一种LFG-ConvNet模型。该模型通过LDA(线性判别分析)对高维RSSI特征进行降维处理,有效剔除冗余信息并抑制噪声干扰;引入邻域聚焦注意力与动态门控注意力机制,强化局部有效特征提取并抑制无关干扰,提升模型对局部遮挡与突发噪声的鲁棒性;采用注意力分支与卷积分支并行融合的网络结构,实现全局特征与局部细节的协同利用。基于加拿大维多利亚大学EOW-3区域Wi-Fi指纹数据的实验结果表明,LFG-ConvNet模型在定位精度与稳定性方面均表现优异:平均定位误差(MDE)为 1.8296m,80% 定位误差(P80)与 90% 定位误差(P90)分别为 2.9035m 和 4.3658m ,整体误差累积分布函数(CDF)曲线显著左移,进一步验证了模型的有效性与优越性。
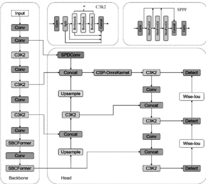
摘要:在YOLOv11的基础上,本文提出一种高精度电厂工作服检测算法。首先,在骨干网络中嵌入了全局—局部双流分支注意力机制SBCFormer,在强化全局信息聚合能力的前提下,有效降低模型参数量。其次,增加SPDConv小目标特征融合模块,可有效学习不同分辨率下的小目标特征表征能力。然后,采用WIoU损失函数降低低质量锚框对算法精度的干扰。最后,本文在自建的电厂工作服数据集上验证了所提算法的有效性。实验结果表明,相较于原算法,mAP50提高了 4.8% ,R提高了 7.6% ,FPS达到了182;且可视化对比结果显示,所提算法可有效识别不同场景下的目标。该方法在保证高效、准确检测工作服的同时,满足了实时检测的需求,表现出较强的鲁棒性和良好的应用前景。
摘要:本文提出一种改进的ResNet50深度学习模型(ResNet50-DW-SE模型),用于核磁共振(MRI)图像识别以预测阿尔茨海默症。ResNet50深度学习模型的改进体现在其残差块(Bottleneck)中:一方面引入深度可分离卷积(Depthwiseseparable convolutions,DW)替代传统卷积,实现模型轻量化,即减少模型参数、提升计算效率;另一方面引入压缩激励(Squeeze-and-Excitation,SE)注意力模块,提高模型对图像的识别准确率。该模型预测流程为:首先收集核磁共振图像构建数据集并预处理;再对模型预训练,划分训练集与测试集;随后用训练集训练模型并评估计算效率;最后用测试集测试模型,以召回率、精确率、F1分数为评估指标。实验显示,该模型较原ResNet50参数量降低 45.2% ,召回率、精确率、F1分数平均值均达0.99,较原模型对应指标分别提升 1.25%.2.5%.2.25%。
摘要:为解决传统YOLOv12模型存在的计算量大、内存访问开销过高及实时性欠佳等问题,本文提出一种借助部分卷积改进YOLOv12的方案。该方案的关键在于借助PConv的对特征图冗余信息的过滤功能,并通过自适应通道分配策略来动态调整不同网络层中有效卷积通道的比例。实验结果表明,与YOLOv12模型相比,该方案在自制数据集上在保持检测精度的前提下,实现了FLOPs下降 29.3% ,MAC降低 36.7% ,可满足在低配设备中进行教室实时人数统计的需求,进而为智能教育管理提供切实有效的技术支撑,具有一定的应用价值。
摘要:群智能优化算法是求解电力系统经济调度问题的一种有效方法。然而传统算法具有难以兼顾收敛速度与全局搜索能力的局限。为此,基于粒子群优化与灰狼优化算法,本文提出一种融合两者优点的混合算法,即PGWO算法。在新算法中,通过引入非线性惯性权重、动态社会影响系数及多样性保持机制,促使PGWO在全局探索与局部开发之间取得动态平衡。在求解电力系统经济调度优化问题时,本文应用PGWO算法并结合二次惩罚函数处理功率平衡及出力约束,提升解的可行性。基于六机组测试系统的仿真实验中,实验结果表明,本文提出的PGWO算法在确保约束满足的前提下,能获得更低的总发电成本与更优的收敛稳定性,可为复杂电力系统经济调度问题提供有效的求解方案。
摘要:本文针对钓鱼网站检测中单一模型泛化能力不足的问题,提出一种基于SLSQP权重优化的加权Soft Voting 多模型融合检测方法。该方法通过集成XGBoost、LightGBM、CatBoost、随机森林、梯度提升、MLPClasifier六种异构基模型,利用SLSQP算法在验证集上以最大化AUC指标为目标优化各模型权重,构建兼具高检出率与低误报率的集成检测系统。实验结果表明,所提融合模型在准确率、召回率和F1值上均优于单一模型,融合模型在静态特征集下准确率达95.22% ,AUC值为0.9762;引入动态扩展特征后,准确率提升至 96.75% ,AUC值达0.9845,该方法显著提升了钓鱼网站识别的鲁棒性与检测性能,为复杂网络环境下的钓鱼攻击防御提供了高效解决方案。
摘要:当前,大语言模型在智能问答领域已广泛应用,并在通用场景下表现出较强的语言理解与生成能力。然而,在金融、法律等特定行业应用中,受限于训练数据,大语言模型往往难以准确回答专业问题,甚至产生“幻觉”现象。针对上述问题,本文引入检索增强生成(Retrieval-Augmented Generation,RAG)技术,基于主流的大语言模型应用开发框架LangChain开发了一套面向特定领域的知识库问答系统,该系统通过构建领域知识向量库、采用提示词拼接方法,有效提升大模型在特定领域的问答效果。实验结果表明,使用RAG技术后,系统在回答特定领域问题的准确性与相关性显著提升,验证了该系统的可行性。
摘要:本文提出一种基于CNN-LSTM融合模型的航空发动机智能模型设计方法。该方法有效结合卷积神经网络(CNN)强大的空间特征提取能力与长短期记忆网络(LSTM)卓越的时序建模能力,为处理航空发动机运行过程中产生的多维时间序列预测问题提供了高效解决方案。通过合理设置多输入特征与多输出目标,并在经过预处理的数据集上进行实验验证,本文结果表明,相较于传统的航空发动机模型设计方法,本方法不仅能显著缩短模型设计周期,且所构建模型的模拟精度大幅超越传统方法,在动态误差与稳态误差控制方面均展现出显著优势。
摘要:机场应急响应信息共享过程中,单层级信息共享易受信息冲突影响,导致信息共享失真率超过阈值、共享完整度下降。为此,本文设计一种基于决策树挖掘算法的机场应急响应信息跨层级共享方法。将机场应急响应信息划分为IIII、IV四个层级,基于特征相关性值,构建机场应急响应信息跨层级共享决策规则。通过计算各子区域信息共享概率的基尼指数,基于决策树挖掘建立实时更新协议,消解跨层级信息共享冲突,实现信息跨层级共享。结果显示,信息共享失真率控制在0.0—0.2范围内,在最大信息失真率的阈值之内,信息跨层级共享后的完整度更高,共享效果良好,对提升机场应急响应效率具有重要意义。
摘要:为提高教学质量并精准干预学生学习过程,本文利用机器学习技术预测学生课程成绩并识别影响成绩的关键特征。采用多种机器学习算法构建预测模型,通过对比实验筛选出最优模型,基于该模型分析特征重要度,挖掘学生成绩的关键影响因素。实验结果表明,该模型能够有效预测学生课程成绩,并成功识别出对成绩具有显著影响的关键特征,为学生成绩提升和教学质量优化提供科学决策支持。
摘要:在数字媒体技术专业教学中,学生个体差异较大、资源适配不同个体需求困难,全场景智能化改造成本及门槛高。为解决上述问题,本研究设计与实现了轻量级智能教学系统“LeamMateLite”,以较低成本支持教学改革。方法层面,本研究基于教育数据挖掘与推荐系统原理,秉承“最小可行产品"理念,采用结构化数据构建简易学习者画像,结合规则引擎与协同过滤算法,实现学习路径动态调整与资源适配推荐。研究发现:通过"LeamMate Lite”,该系统可低成本提升学生的学习目标聚焦度、学习资源利用效率及项目结果完成度,为数字媒体技术等实践性专业开展个性化教学改革探索了新的路径。
摘要:针对当前计算机类课程思政存在生硬植入、同质化严重等问题,本文提出一种基于双向映射的Python程序设计课程思政实践路径。该路径以专业知识体系的完整性和隐性育人机制的影响力为基础,通过正向映射与反向映射,实现思政元素的深度融入。结合教师课堂表现、项目选题导向、工程规范实践等五个维度的隐性育人机制,构建涵盖结构化图谱、元认知工具与议题式项目的教学策略体系,旨在推动专业教育与思政教育同频共振,提升学生的工程伦理意识与社会责任感。
摘要:本文对浙江省计算机软考的报考趋势开展系统分析,研究发现,软考报考特征深受地方人才政策、区域经济格局及产业升级的多重影响;其在反映数字经济发展活力的同时,也暴露出人才区域分布固化、评价体系与产业实践脱节等结构性问题。为此,建议从政策统筹、考试改革与社会引导三个层面协同发力,以推动构建更健康、更可持续的数字人才发展生态。
摘要:全面推进课程思政建设是落实立德树人根本任务的战略举措。计算机专业英语课程兼具工具性与人文性,是开展思政教育的重要阵地。然而,当前该课程思政教学中存在“难融入”"两张皮"等现实困境。本文提出以“元素挖掘—场景创设—多元评价”为主线的三维融合课程思政教学路径,即通过案例驱动探究、情境模拟等多元化教学方法,不仅提升学生应用计算机专业英语的能力,还能有效培养其家国情怀、职业伦理与创新精神。
摘要:针对中小学编程教育面临课程标准模糊、师资短缺、资源不足与教学方式单一等现实困境,本文旨在探索系统性、可推广的实践路径,研究采用文献分析与实证调查相结合的研究方法,以湖南省32所中小学为案例,深入剖析当前编程教育的实施现状与核心挑战。在此基础上,构建包含“政策与机制保障层、平台与资源支持层、教学与实践融合层、评价与生态发展层"的四维螺旋式创新路径模型。该模型通过强化顶层设计、技术赋能、教学重构与生态协同,推动线上一线下深度融合,有效破解编程教育实施瓶颈,促进其向系统性、个性化与高质量发展转型,从而为区域编程教育实践提供兼具理论支撑与实践操作性的参考框架。
摘要:针对传统Python程序设计教学中课时有限、内容局限、评价片面等难题,契合《教育信息化2.0行动计划》对数字经济人才培养的要求,本研究以宿迁学院经济管理学院为实践样本,构建适用于经济类专业的Python“双环三链"教学模式。通过整合平台资源,设计过程建构与优化评价体系。实践表明,该模式有助于推动知识、能力与素养三维目标的有效达成,提高教学效能,可为高校非计算机专业Python课程及同类计算机课程的混合式教学改革提供实践参考。
摘要:Web后端开发已形成以Java语言为主的Spring生态,针对Web后端开发课程,高职软件专业学生学习难度大,而教师采用的传统教学策略往往无法帮助学生及时掌握课堂所学知识,因此,学生在课堂中不能很好地独立完成软件复杂功能模块的开发。为应对这些挑战,本文通过引入三个典型案例,将氛围编程融入Web后端开发与教学,使学生能够独立完成小型软件项目,并验证氛围编程的可行性。学生通过氛围编程可实现从“写出代码"到“理解代码”“应用代码”的能力跃升。